Особенности создания культиватора из бензопилы «Дружба»
Культиватор из бензопилы «Дружба» своими руками станет незаменимым помощником при обработке грунта на небольших участках. Большим преимуществом этого способа станет отсутствие необходимости прибегать к токарным работам – вы сможете ограничиться точечными слесарными доработками. Будущие самодельные мотокультиваторы из бензопилы будут работать только на двух передачах, а максимальная скорость агрегатов будет достигать 2,5 км/ч. Мощность мотора составит немногим более 4 л. с. Таких показателей будет вполне достаточно для эффективного фрезерования грунта, окучивания и выкапывания картофеля.
Создание агрегата выполняется по такому алгоритму:

- Для начала насадите на главный вал металлический воротниковый фланец РУ-32;
- После этого прикрутите звездочку мостового редуктора;
- Далее присоедините вал мостового редуктора – деталь можно взять от автомобиля УАЗ и отшлифовать ее до диаметра 3 см.;
- Для увеличения дистанции между мостом редуктора и землей, задействуйте двурядную цепь и две «ВАЗовские» звездочки – они увеличат клиренс культиватора до 150 мм.;
- Далее на главный мост установите и закрепите подшипник корпуса – его внутренний диаметр должен составлять не более 3 см.;
- В качестве коробки переключения передач и редуктора может выступить двигатель от мопеда «Карпаты»;
- Для комплектации возьмите центробежное сцепление от того же мопеда;
- Чтобы установить фрезы и колеса следует использовать стальную трубу, длиной 32 см.
В конце тестируем изготовленный культиватор. Большое достоинство готовой конструкции заключается в неприхотливости к топливу и маслам. Еще одно преимущество – автономность агрегата. В отличие от электрического культиватора, вы сможете эксплуатировать сделанную конструкцию в любом месте и в любое время.
Благодаря полностью герметичной системе подачи горючего и мембранному типу карбюратора, владелец сможет работать с агрегатом в любых условиях, будь то сильный ливень или невыносимая жара. Изготовленную конструкцию можно успешно эксплуатировать на участках, общей площадью от 10 до 20 соток.
Мини-трактор с двигателем от мотоцикла Урал| Пошаговые фото сборки
Уважаемые посетители сайта «Самоделкин друг» сегодня мы с вами рассмотрим подробную инструкцию, о том как сделать мини-трактор с двигателем от мотоцикла «Урал» своими руками. Данный трактор создан на базе ломающейся рамы сваренной из проф-трубы с сечением 100х40 мм. Двигатель установлен от Советского тяжелого мотоцикла «Урал» выкупленного с близлежащего пункта приема металлолома. На тракторе стоит 2 коробки, одна «родная» мотоциклетная, а вторая от автомобиля «Москвич-412» Трактор имеет полный привод на все 4 колеса 4х4. Цилиндры двигателя оснащены дополнительным воздушным охлаждением, осуществляемое от приспособленных моторов ВАЗовских печек, а именно вентиляторов в жестяном корпусе. Рулевое управление, тяги «Москвич» Так же мини-трактор агрегатирует плуг, автомобильный прицеп, отвал и прочие полезные навески. Зажигание на тракторе электронное. Проживая в сельской местности такой помощник как самодельный трактор просто незаменим, с его помощью можно вспахать и культивировать огород, на прицепе перевозить различные грузы (дрова, навоз для огорода, сено, урожай собранный с участка) Вообщем техника очень полезная.
Давайте рассмотрим пошаговые фото сборки мини-трактора.
Материалы
- двигатель и КПП от мотоцикла «Урал»
- проф-труба 100х40 мм
- мост ВАЗ 2103
- КПП «Москвич-412»
- колеса ВАЗ
Инструменты
- сварочный инвертор
- УШМ (болгарка)
- дрель
- набор гаечных ключей
- молоток
- рулетка
- сварочный уголок
Пошаговая инструкция по созданию мини-трактора с двигателем от мотоцикла «Урал» своими руками.

Первым делом была сварена рама, она будет состоять из двух частей и соединена между собой переломным узлом. В качестве материала была взята труба 100х40 мм, длинна 2000 мм и ширина 950 мм.
Трансмиссия трактора, укороченные чулки заднего моста от ВАЗ 2103, крутящий момент от КПП передается за счет цепной передачи на звездочку, а от нее через укороченные карданы на передний и задний мосты.
Поворотный узел рамы.
Рама собрана и установлены колеса.
Установка КПП от автомобиля «Москвич-412»
Двигатель от Советского тяжелого мотоцикла «Урал» был выкуплен с металлоприемного пункта и восстановлен.
Сопряжение ДВС и КПП.
Электронное зажигание от автомобиля ВАЗ 2108.
Установка электрооборудования, а так же дополнительно принудительного охлаждения для цилиндров двигателя.
Поворотники и стоп-сигнал. Рулевая тяга от Москвича.
Вот такой замечательный мини-трактор получился.
Данный трактор имеет хорошие характеристики и оптимальную удельную мощность, что позволяет ему пахать землю плугом с двумя отвалами, таскать автомобильный прицеп с грузом более 500 кг. Так же трактор имеет отвал для чистки снега в зимний период времени. Можете посмотреть видео и убедиться. приятного просмотра. Надеемся материал Вам понравился
Спасибо за внимание!
Пошаговая инструкция для изготовления снегохода из бензопилы «Дружба»
Как уже неоднократно сказано процесс изготовления зависит от выбранного варианта конструкции, чертежа. Есть сложные схемы, но существует один довольно простой вариант с использованием в качестве основы конструкции обычного снегоката. Он подкупает тем, что уже имеется готовая несущая база основания, рулевое управление и вполне удобное сидячее место. Задача состоит в том, чтобы усилить боковые лыжи, а также закрепить на раме двигатель, передаточный механизм и гусеницу.
Поэтапная инструкция сборки:
- В первую очередь необходимо усилить боковые лыжи. Это можно сделать, приварив к ним профиль или трубы. К ним же крепятся опорные подшипники переднего и заднего натяжных валов. Размер усилительного основания зависит от диаметра переднего вала. Для обеспечения наилучшего сцепления нижняя часть вала должна быть на одном уровне с лыжами.
- Следующий этап — изготовление каркаса крепления гусеницы. Он выполняется из уголка и профильной трубы размером 30х30 мм. Длина каркаса берется с расчетом размеров рамы для крепления двигателя с бензобаком в задней части снегоката. Ширина в пределах ширины снегоката.
- Натяжение гусеницы производится при помощи валов. Работает по принципу натяжения цепи в бензопиле. Натяжной вал перемещается при помощи болта, который в свою очередь фиксируется на раме. В качестве натяжных валов можно использовать бескамерные колеса от ручных тележек, катки от сельскохозяйственной техники или изготовить их вручную вырезав из пластика. Также необходимо установить опорные ролики для гусеницы, только уже без натяжного механизма. Изготавливаются они так же как и натяжные. Для обеспечения необходимого зазора и предотвращения смещения роликов на ось устанавливаются вставочные втулки.
- Гусеница изготавливается из транспортерной ленты толщиной не менее 3 мм. На натяжные валы по центру монтируются зубчатые колеса от снегохода «Буран». Лента разрезается на две части и располагается по краям. Между кусками оставляется расстояние соразмерное ширине зубчатых колес. Траки для сцепки можно изготовить из половинок пластиковой водопроводной трубы или профиля из алюминия. Толщина траков рекомендуется более 5 мм. Крепятся траки на болты или клепки. Зазор между траками должен соответствовать шагу зубчатых колес от «Бурана».
- На задней части пока еще снегоката монтируется площадка с двигателем. На ней также устанавливается бензобак. На ведущий вал монтируется приводная звездочка, в свою очередь на двигатель тоже устанавливается звездочка. Передача усилия передается приводной цепью. Для обеспечения натяжения цепи рама с двигателем должны быть подвижной, звездочки должны находиться на одном уровне.
- После закрепления основных частей для обеспечения безопасности при эксплуатации, движущиеся части снегохода закрывают защитными кожухами из металла или пластика.
Полезные рекомендации
Как показывает опыт мастеров, очень важным является надежность и прочность всех соединений и креплений. Поскольку снегоуборщик из бензопилы подвергается при работе определенным вибрациям, наиболее целесообразно устанавливать контргайки, все крепления делать шайбами гравера. Во избежание раскручивания, на шнеке выступающие части от болтов обрезают и заклепывают.
Некоторые владельцы работают без чертежей, но в большинстве рекомендаций все же высказывается необходимость предварительных расчетов, соблюдения определенных проверенных размеров и пропорций, иначе конструкция снегоуборщика из бензопилы может оказаться после сборки неработоспособной.
Преимущества самодельного снегоуборщика из бензопилы
- При создании снегоуборщика из бензопилы своими руками основным выигрышем, конечно, является стоимость снегоуборочной машины. Даже, если пришлось покупать мотор от пилы специально, экономия будет немалой.
- Другим положительным моментом является функциональность, ничуть не уступающая готовым образцам техники. Некоторые умельцы создают агрегаты, даже превосходящие по техническим параметрам заводские модели.
- Все необходимые детали и комплектующие можно гарантированно найти в гараже среди всяких металлических отходов и остатков, которыми никто не пользуется.
Недостатки самодельного снегоуборщика
- Собранная модель является несамоходной машиной, для уборки больших территорий от снега ручное перемещение агрегата может быть затруднительным.
- По сравнению с заводскими вариантами снегоуборочных машин, самоделка отличается меньшими техническими возможностями, ограниченным моторесурсом. Если оснастить оборудование новым двигателем, работать агрегат будет дольше и надежнее, но экономия, в таком случае, будет меньше.
Мотокультиватор, снегоуборщик, ледобур и буроям своими руками
Мотор из бензопилы отлично подойдет и для создания мотокультиватора, предназначенного для вспашки целины (для легких грунтов). Для работы с плотными и влажными почвами мощности и крутящего момента двигателя скорее всего не хватит, а вот для взрыхления поверхностного слоя и удаления оставшихся в земле корней бурьянов культиватора из бензопилы будет достаточно. Главной деталью устройства является вращающаяся фреза, за счет которой и происходит передвижение техники по участку.
Чертеж снегоуборщика выполненного своими руками с применением бензопилы.
Если в культиваторе заменить вал с лемехами на шнек, а также оснастить конструкцию заборным устройством и трубой для откидывания снега, культиватор превращается в снегоуборочную машину. Мотора от любой пилы мощностью 3-5 лошадиных сил будет более чем достаточно для уборки рыхлого снега на участке
Важно только выполнить удобный шнековый механизм. Для этого чаще всего применяются лопасти, изготовленные из толстой резины
В качестве заборного устройства подойдут детали из оцинкованной стали
Выброс снега легко осуществить, установив пластмассовую трубу большого диаметра
В качестве заборного устройства подойдут детали из оцинкованной стали. Выброс снега легко осуществить, установив пластмассовую трубу большого диаметра.
Бурить лед или промерзшую землю ручным инструментом – довольно долгое и физически сложное занятие. Создание мотобура своими руками значительно упростит выполнение этой задачи. В этом случае, помимо мотора, необходимо иметь редуктор, регулирующий количество оборотов в минуту, потому как такого сильного вращения, как у бензопилы, устройству не требуется.
На заметку! Если не имеется достаточного количества знаний относительно работы редуктора, можно обратиться за помощью к инженеру, который поможет правильно выбрать нужный механизм. Необходимый тип прибора подбирается в зависимости от характеристик мотора.
Для создания мото- или ледобура своими руками, первое, что потребуется сделать, – выполнить надежный корпус, представляющий собой усеченную пирамиду, состоящую из двух прямоугольников различных размеров. Понадобятся болгарка, сварочный аппарат и металлические трубы. Именно внутри этой рамы и будет устанавливаться редуктор, соответственно, габариты корпуса напрямую будут зависеть от размеров редуктора.
Буроям из бензопилы станет незаменимым помощников в хозяйстве.
Для надежности специалисты рекомендуют в качестве шнека взять деталь от хорошего мотобура, выполненную из прочной стали, потому как низкокачественный материал не выдержит больших нагрузок. Другой важный вопрос – надежное крепление бура, которое можно осуществить при помощи обыкновенной трубы, зафиксированной с двух сторон шпонками или шпильками. Такой способ крепления позволит менять буры или использовать другие приспособления для работы.
Особенности создания культиватора из бензопилы «Дружба»
Культиватор из бензопилы «Дружба» своими руками станет незаменимым помощником при обработке грунта на небольших участках. Большим преимуществом этого способа станет отсутствие необходимости прибегать к токарным работам – вы сможете ограничиться точечными слесарными доработками. Будущие самодельные мотокультиваторы из бензопилы будут работать только на двух передачах, а максимальная скорость агрегатов будет достигать 2,5 км/ч. Мощность мотора составит немногим более 4 л. с. Таких показателей будет вполне достаточно для эффективного фрезерования грунта, окучивания и выкапывания картофеля.
Создание агрегата выполняется по такому алгоритму:

- Для начала насадите на главный вал металлический воротниковый фланец РУ-32;
- После этого прикрутите звездочку мостового редуктора;
- Далее присоедините вал мостового редуктора – деталь можно взять от автомобиля УАЗ и отшлифовать ее до диаметра 3 см.;
- Для увеличения дистанции между мостом редуктора и землей, задействуйте двурядную цепь и две «ВАЗовские» звездочки – они увеличат клиренс культиватора до 150 мм.;
- Далее на главный мост установите и закрепите подшипник корпуса – его внутренний диаметр должен составлять не более 3 см.;
- В качестве коробки переключения передач и редуктора может выступить двигатель от мопеда «Карпаты»;
- Для комплектации возьмите центробежное сцепление от того же мопеда;
- Чтобы установить фрезы и колеса следует использовать стальную трубу, длиной 32 см.
Благодаря полностью герметичной системе подачи горючего и мембранному типу карбюратора, владелец сможет работать с агрегатом в любых условиях, будь то сильный ливень или невыносимая жара. Изготовленную конструкцию можно успешно эксплуатировать на участках, общей площадью от 10 до 20 соток.
Автомеханик, специализируется на С/Х технике
Дачники, имеющие в своем владении мотоблок, не знают проблем с обработкой земельного участка, проводя ее быстро и эффективно. Но что делать, если участок земли маленький и покупать дорогостоящую сельскохозяйственную технику дорого. Выходом из ситуации станет модернизация бензопилы в самодельную установку для обработки земли.
Этот недорогой и мощный инструмент, при желании модернизируется в мотоблок, который справляется с возложенными на него обязанностями не хуже специализированной техники. Давайте разберемся, как собрать мотоблок из бензопилы и какие инструменты для этого понадобятся.

Самодельный культиватор из бензопилы дружба — Металлы, оборудование, инструкции
Дачники, имеющие в своем владении мотоблок, не знают проблем с обработкой земельного участка, проводя ее быстро и эффективно. Но что делать, если участок земли маленький и покупать дорогостоящую сельскохозяйственную технику дорого. Выходом из ситуации станет модернизация бензопилы в самодельную установку для обработки земли.
Этот недорогой и мощный инструмент, при желании модернизируется в мотоблок, который справляется с возложенными на него обязанностями не хуже специализированной техники. Давайте разберемся, как собрать мотоблок из бензопилы и какие инструменты для этого понадобятся.
Мотоблок из бензопилы: своими руками, мотоцикла, самодельный, Дружба, скутера, коммутатор
Рассмотрим, как сделать мотоблок из бензопилы. Бензопила работает во всех положениях благодаря системе подачи топлива, она очень мощная и неприхотливая.
Как сделать мотоблок из бензопилы
Мотоблок отличается от мультикультиватора, из первого может получиться мини-трактор. Если мотокультиваторы подходят только для рыхления почвы, то усовершенствованные мотоблоки заменяют даже транспортные средства при перевозке различного груза (сена, бревен, корма для скота и т.д.).
Рассмотрим, как изготовить мотоблок своими руками из бензопилы. Для этого нужно потратить время на изучение схемы данной техники и приобретение всех необходимых запчастей.
Имея чертежи самодельной рамы, можно собрать очень мощную технику. При сборке агрегата используются запчасти от скутера, автомобилей, бензопилы Дружба, мотоцикла Урал и пр.
При изготовлении понадобятся слесарные навыки, поскольку вся работа производится вручную.
Конструкция самодельного агрегата выглядит примерно так: мотор — промежуточный вал — колесо. Самодельный мотоблок из бензопилы держится на раме, к которой крепят двигатель и редуктор. Бак для горючего устанавливают на кронштейне. Весь упор агрегата приходится на колеса. В задней части механизма устанавливается рабочее орудие.
Как сделать агрегат из скутера
Рассмотрим, как собрать мотоблок из скутера. Для такой сборки используются:
- мотор скутера (вполне достаточно 4 л.с.);
- предварительно укороченный задний мост от автомобиля Жигули;
- редуктор (от комбайна или другой машины).
Вместо редуктора можно установить две цепные звездочки, которые соединяют двигатель с редуктором, а редуктор с мостом. Вариатор от скутера можно установить на двигатель. Аккумулятор устанавливается над редуктором.
Поскольку у двигателя скутера своя выхлопная система и стартер, машина будет нешумная. В передней части мотоблока можно поставить фару, используя коммутатор. Это облегчит работу в темное время суток, особенно если аппарат приспособлен для транспортировки грузов.
Мотоблок из бензопилы Дружба и Урал
Рассмотрим, как собрать мотоблок из бензопилы Дружба. Сборка агрегата из двигателя бензопилы Дружба очень простая. Мотор нетяжелый и компактный, поэтому раму можно собрать из трубы. На нее кроме двигателя крепятся реверсный редуктор и топливный бак. Изогнутая в верхней части труба служит держателем для управления устройством. На ней устанавливается ручка скорости.
Разберемся, как сделать из бензопилы мотоблок своими руками. Пошаговая инструкция:
- Создается чертеж. Это очень важный этап создания агрегата, без которого изготовить надежную технику не получится. Четко должны быть отмечены все запчасти с местами крепления и обозначены все размеры.
- Создание рамы. Она представляет собой куб, у которого углы равны 32х32 мм. На верхние углы рамы устанавливается мотор, а под ним — топливный бак. Для промежуточного опирания вала спереди устанавливаются вертикальные стойки. А чтобы смонтировать подшипники, понадобятся опоры к продольным углам.
Можно создать самодельный мотоблок из мотоцикла. Это будет более мощный аппарат, для него используется двигатель мотоцикла. Например, подойдет мотор мотоцикла ИЖ.
Поскольку скорость у агрегата невысокая, необходима принудительная система охлаждения.
Как из двигателя от мотоблока сделать мотоцикл
Автомеханик, специализируется на С/Х технике
Не секрет, что в нашей стране много умельцев, способных создавать всевозможные чудеса техники из подручных материалов. Немалый интерес внушают возможности двигателя от мотоблока, которым можно оснастить мотоцикл, болотоход, снегоход и всевозможные другие приспособления. Чем привлекательны подобные решения?
Прежде всего, своей доступностью, не говоря уже о возможности талантливых механиков, занимаясь интересным делом, найти практичное и оригинальное применение своим усилиям, создавая нужные в хозяйстве вещи. Что же касается самодельного мотоцикла с двигателем от мотоблока, это решение можно назвать не только практичным, но и довольно простым в реализации.
Сделать мотоцикл из мотоблока можно самому
Как сделать мотоблок из бензопилы своими руками: несколько вариантов конструкции
Мотоблок на базе бензопилы можно воссоздать разными методиками:
- универсальной, рассчитанной на любой тип мощной бензопилы;
- специфической, применимой к конкретной модификации, например, «Дружба» или «Урал» советского или современного образца.
Мотоблок из бензопилы: самый простой и универсальный способ

Для него нам понадобятся:
- моторная база от любой производительной профессиональной бензопилы;
- рулевое (сгодится мотоциклетное);
- трансмиссия, которую можно снять со старого авто или мопеда;
- электросварка;
- нержавеющие трубы;
- металлический лист для проектировки грунтозацепов или старые колеса от б/у техники;
- соединительные запчасти, которые понадобятся для скрепления рамы и двигателя.
Процесс домашнего производства можно разделить на несколько этапов:
составление подробного чертежа. Если он отсутствует, можно воспользоваться тем, который предлагаем мы;
Читать также: Чернение нержавейки в домашних условиях

- производство рамы;
- модификация силовой установки;
- проектирование и сборка дополнительных блоков – сцепления, коробки передач, рулевого управления, фары для работы в ночное время суток, ходовой части.
Делаем раму для мотоблока из бензопилы
Процесс работы выглядит так:
- берем металлическую трубу с сечением не меньше 20 мм и сгибаем так, чтобы общий вид напоминал 2 лонжерона, край которых направлен вверх;
- в задней части лонжерона привариваем руль;
- усиливаем основу поперечинами;
- к задним загибам лонжеронов сваркой приспосабливаем опорную площадку под аккумулятор.
Сборка двигательного блока
Для самодельного мотоблока из бензопилы идеально, если моторная мощность будет находиться в пределах 10-13 л.с.
Создание силовой установки при наличии готового исправного двигателя производят так:
- берется труба 7 см в диаметре, от которой болгаркой отрезается 250 мм – она станет будущим глушителем. Ее набивают древесными отходами и отводят так, чтобы выхлопы были направлены от оператора. Соблюдают, чтобы выходная окружность не превышала 1,6 см в диам.;
- из трубы-нержавейки с сечением около 4 см приспосабливается рама, выполненная в форме салазок. Для обеспечения болтовых стяжек, к ее периферии и средней части привариваем металлические скобы;
- соединяем двигатель и рамную конструкцию.
После этого переходим к ходовой части.
Самыми популярными способами ее воссоздания считают:
- использование старых шин от «Жигуля» (все 4 шт.), которые попарно соединяются полуосями, усиленными шплинтом;
- сборка грунтозацепов на базе автопокрышек, лишенных резины (чертеж ниже). Для лучшей сцепки с почвой их дооснащают металлическим уголком.

После установки на самоделку трансмиссии, руля, бензобака, агрегат можно тестировать в полевых условиях.
Самодельный мотоблок из бензопилы «Дружба»

Благодаря своей экономичности и достаточному запасу мощности мотоблоки-самоделки на базе пилы «Дружба» — лидеры среди конструкций домашнего изготовления.
Для этого нам пригодятся:
- РУ-32 – воротниковый фланец в нержавеющем исполнении;
- 3 см вал редукторного мота от старого ВАЗа;
- звездочки, которые берем с любого старого авто;
- цепь 2-ряднгого типа, которая должна будет отдалить мост редуктора от земной поверхности;
- подшипник с внутренним сечением 3 см для основного моста;
- мотор от старой «Дружбы»;
- карбюратор от мопеда «Альфа»;
- центробежное сцепление, которое целесообразнее брать в готовом виде;
- мопедные цепи и звездочки;
- стальная трубка-ось для надевания колес или грунтозацепов.

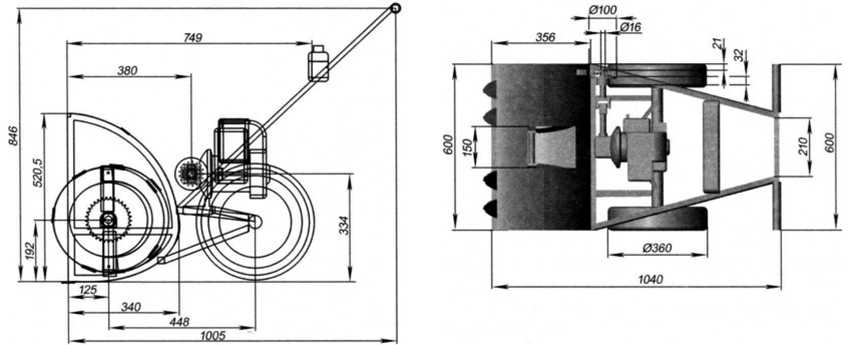
Для изготовления можно взять опорный чертеж, представленный ниже.

На стандартных нюансах, мы останавливаться не будем.
Важно обратить внимание на следующее:
- качество и рядность цепей – лучше брать цепи от моторов типа «Карпаты» или «Верховина», которые увеличат расстояние до земли примерно на 2 дм;
- передаточное число, оптимум которого составляет 1:50, что даст силу в 7,5 кН, эквивалентной полноценному трактору;
- потребление бензина – 2,5 кВт пила «Дружба» даст расход примерно в 1,8-2,5 л/ч., поэтому емкость для топлива следует брать исходя из этого показателя;
- правильно подобрать тип карбюратора, чтобы он стабильно работал на высоких и низких оборотах;
- продумать систему охлаждения – в данной конструкции ее можно сделать по принципу самовара. В работе это выглядит, как обычная банка с водой, окружающая цилиндр, в которой она закипает. Похожая система гидроохлаждения протестирована в заводских культиваторах «Добрыня».
Народные умельцы модифицировали и эту конструкцию, упростив ее до нельзя. Это удалось сделать за счет применения одного бензопильного мотора со штатным редуктором, снятым со старого фрегата типа ДКШ-64А. Это упрощает процесс сборки, сводя на нет любые токарные работы, но несколько утяжеляет вес самодельного мотоблока.
Независимо от того, каким из 2-х предложенных способов изготовления самодельного мотоблока из бензопилы выберете вы, полученный прибор обеспечит вспашку 200-250 м2 территории и прослужит не один сезон.
Бензопила пользуется большим спросом среди любителей самостоятельно вести домашнее хозяйство. Основа ее конструкции также нередко служит материалом для собственноручного создания культиватора. Скромный вес и приличная мощность будут отлично сочетаться с компактностью будущего агрегата.
Советы по применению
Сразу же стоит обратить внимание, что самодельную конструкцию, чтобы она из себя ни представляла, вряд ли удастся зарегистрировать (узаконить) в соответствующих органах. А поэтому:
- Согласно закона, самодельный снегоход не относится к категории транспортных средств. Поэтому, дальнейшее его применение, а также ответственность за последствия ложатся исключительно на того человека, который его сделал. Лучше, если он будет эксплуатироваться где-то в глубинке и не попадаться на глаза соответствующих служб.
- Снегоход и плавающий вездеход – это абсолютно разные аппараты, хотя и имеют определенное сходство.
- Так как двигатель имеет маленькую мощность, то перевозить этим транспортным средством грузы не желательно. Лучше передвигаться на нем одному.
- Для передвижения ночью, на снегоход можно установить освещение (фары). Это повысит функциональность устройства и комфорт при передвижении.
Плюсы и минусы самодельной конструкции
Просмотрев множество фото и видео, прочитав массу отзывов, успешных рабочих моделей снегоходов с использованием бензопилы «Дружбы» можно вполне сделать вывод, что конструкция вполне эффективная. Двигатель бензопилы отличается простотой механизма, надежностью и достаточно невысокой стоимостью.
Главным достоинством самодельной модели является экономическая составляющая. В процессе конструирования применяются детали и материал, который валяется без дела где-нибудь в гараже или кладовке. Необходимый набор запчастей можно приобрести за небольшие деньги или найти бесплатно.

Также среди плюсов самодельного снегохода можно отметить:
- вполне рабочая мощность полученной техники – до 4 л.с.;
- компактность, небольшие габариты и масса снегохода по сравнению с заводскими аналогами;
- экономичный расход горюче-смазочных материалов (ГСМ);
- двигатель «Дружбы» не прихотлив в плане применения ГСМ.
Еще одним плюсом можно назвать то, что изделие, изготовленное своими руками, будет доставлять удовольствие и гордость своему владельцу
Ведь для настоящего мужчины бывает важно сделать, что-либо своими собственными руками. Он может спокойно похвастаться самоделкой друзьям и знакомым. Основным недостатком самодельного снегохода является то, что в итоге самоделка в любом случае будет уступать заводским аналогам и по мощности, и по комфорту и удобству применения
Основным недостатком самодельного снегохода является то, что в итоге самоделка в любом случае будет уступать заводским аналогам и по мощности, и по комфорту и удобству применения.

Снегоход не способен развить высокую скорость, однако это делает его более безопасным, чем заводские снегоходы. К тому же в большинстве случаев самодельный снегоход имеет весьма непривлекательный вид.
Почему используется именно бензопила Урал
По своей надежности, степени производительности и простоте обслуживания бензопилы Урал смогут дать фору практически любой современной бензопиле. К основным узлам этой пилы относят привод с мотором и саму шину для резки, которые были изготовлены довольно качественно.
К ключевым факторам, позволившим народным умельцам делать из старых и временно ненужных бензопил Урал чудеса конструкторской мысли следует отнести:
- довольно мощный и тяговитый двигатель;
- незначительный вес и относительную компактность двигателя;
- наличие способности длительное время работать под высокими нагрузками и в самых разных условиях;
- грамотно продуманную и качественно реализованную конструкцию самой пилы, к примеру, муфты сцепления, не допускающей перегрузки, а также исключающую поломку основных узлов.
Все это в комплексе с универсальностью привода и смекалкой, позволяет народным умельцам самостоятельно создавать функциональные устройства различной направленности.

Мотоблок: назначение
Мотоблок – механизированная техника для сельскохозяйственных работ. В зависимости от типа двигателя питается бензином или дизелем.

По сравнению с трактором мотоблок имеет малые габариты, что делает его удобным для обработки земель малой и средней площадей (0,1-1,0 Га).

Характер обработки зависит от навесного оборудования мотоблока:
- Плуг – для вспахивания грунта;
- Чеснокосажалка – для посева чеснока;
- Картофелекопалка – для сбора клубней картофеля;
- Аэратор – для орошения культуры;
- Ковш – для уборки снега и грунта;
- Прицеп – для транспортировки урожая и прочих грузов.

Соответствующие насадки идут на все чертежи мотоблока при условии, что они представлены одним и тем же производителем.

Культиватор из бензопилы — своими руками, особенности
Современные бензопилы и различные приставки к бензопилам позволяют решать многочисленные задачи. А старые устройства подойдут для создания мотокультиваторов, обрабатывающих участки небольшой площади.

Культиватор вполне можно изготовить самостоятельно из бензопилы. Благодаря небольшой массе и хорошей мощности пилы получится компактный агрегат для обработки почвы.
Как изготовить культиватор из бензопилы «Урал» своими руками?

Если дисковый роторный культиватор используется нечасто и на небольших территориях, то покупка агрегата считается достаточно неоправданной. Кроме того придётся приобрести дополнительные навесы.
Самодельный мотокультиватор из бензопилы включает такие детали:
- Мотор;
- Топливный бак;
- Раму;
- Промежуточный вал.
Указанные элементы есть у бензопилы, необходимо найти только раму.
Алгоритм изготовления агрегата:
- Старая бензопила раскручивается, демонтируется двигатель, редуктор и бензобак;
- Рама сваривается. Понадобятся уголки из металла с сечением 32*32 мм. Конструкция должна отличаться прочностью, не бояться постоянного вибрирования при работе и выдерживать дополнительные грузы;
- Мотор крепится к верхним поперечным уголкам;
- Топливный бак устанавливается и закрепляется под мотором с помощью специальных кронштейнов. Нижняя часть должна быть защищена металлической пластиной;
- Опоры промежуточного вала закрепляются на передней стойке рамы продольными уголками;
- Орган управления создаётся поперечной перекладиной из металла, длина которой 30 сантиметров;
- Также на нижнюю поперечину рамы могут быть прикреплены колёса для удобства транспортировки агрегата. Подходят колёса из старого автомобиля.
Специфика применения:
- После сборки культиватор должен быть протестирован. Мотор запускается, нужно сделать один проход по грядкам;
- Конструкция утяжеляется. Груз располагается на передней части каркаса. Утяжелитель закрепляется, чтобы он не сместился при вибрировании устройства и не повредил двигатель/промежуточный вал.
Мотокультиватор из бензопилы Урал имеет небольшую мощность, потому нет возможности использовать большие навесы. Но можно приобрести сцепку для применения самодельной бороны и плуга.
Работая с таким агрегатом, нужно делать частые перерывы, чтобы он не перегрелся и не вышел из строя.
Особенности изготовления мотокультиватора из бензопилы «Дружба»

Самодельный культиватор из бензопилы «Дружба» позволяет обрабатывать небольшие участки. Его параметров хватит для выполнения различных работ: почва фрезеруется, клубни картошки окучиваются и выкапываются.
Технические характеристики:
- Мощность двигателя – около 4 л. с.;
- Наличие двух передач;
- Максимальный уровень развивающейся скорости – 2,5 км/ч.
Особенности мотокультиватора из бензопилы:
- Главный вал соединяется с воротниковым фланцем РУ-32 из металла;
- Прикручивается звёздочка мостового редуктора;
- Выполнить присоединение вала мостового редуктора с диаметром 3 сантиметра;
- Дистанцию между редуктором и почвой можно увеличить с помощью двурядной цепи и двух звёздочек из ВАЗа. Так клиренс может быть в пределах 15 см;
- Подшипник корпуса с диаметром 3 сантиметра устанавливается и закрепляется на главном мосту;
- Для установки врез и колёс понадобится стальная труба, длина которой 32 сантиметра.
Специфика применения:
- Культиватор из ручной бензопилы неприхотлив к используемым жидкостям;
- Агрегат отличается автономностью, потому может быть использован вне зависимости от времени и места;
- Внутренняя конструкция устройства герметичная, потому культиватор работает и под дождём, и в сильную жару;
- Готовая техника может эксплуатироваться на участках с площадью в пределах 10-20 соток.
Если нет возможности или времени заниматься самостоятельным изготовлением культиватора, стоит обратить внимание на мотокультиватор Форза, способный справиться с задачами различной сложности. sadovaja-tehnika.com






























